
【環保配置】:干法除塵系統,干濕除塵系統等
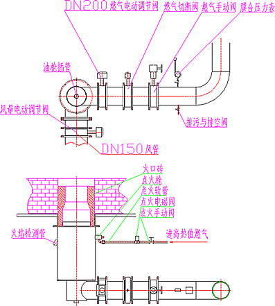
該高爐煤氣燃燒機為兩段火控制,用紫外線火焰監測器檢測火焰,當點火不著、意外熄火都自動切斷燃氣,保護設備的安全運行。
燃氣壓力為:17kpa
燃氣熱值:800kcal/Nm3
用戶必須配備4-6kg/cm2的壓縮空氣,同時配備點火用的液化氣罐,作切斷燃氣和點火用。燃燒器的火口磚用戶必須按照供方提供的圖紙來制作。

| 型號 | Φ | Φ1 | N1—D1 | Φ2 | N2—D2 | A×B | N—d | 風機 | 配鍋爐 |
| ZMg80 | Φ280 | Φ330 | 4—Φ16 | Φ240 | 8—Φ23 | 160×120 | 4—Φ14 | 2.2KW | 1t/h |
| ZMg160 | Φ350 | Φ400 | 6—Φ16 | Φ295 | 8—Φ23 | 260×145 | 4—Φ14 | 3KW | 2t/h |
| ZMg320 | Φ480 | Φ530 | 6—Φ16 | Φ350 | 12—Φ23 | 280×166 | 4—Φ16 | 5.5KW | 4t/h |
| ZMg400 | Φ500 | Φ550 | 6—Φ16 | Φ400 | 12—Φ23 | 280×190 | 4—Φ16 | 7.5KW | 5t/h |
| ZMg480 | Φ550 | Φ600 | 8—Φ16 | Φ400 | 16—Φ23 | 280×190 | 4—Φ16 | 7.5KW | 6t/h |
| ZMg640 | Φ630 | Φ680 | 8—Φ16 | Φ445 | 16—Φ25 | 370×220 | 4—Φ16 | 11KW | 8t/h |
| ZMg800 | Φ695 | Φ750 | 10—Φ16 | Φ495 | 20—Φ25 | 370×250 | 4—Φ18 | 18.5KW | 10t/h |
| ZMg1200 | Φ830 | Φ890 | 8—Φ18 | Φ550 | 20—Φ25 | 450×280 | 4—Φ18 | 37KW | 15t/h |
| ZMg1440 | Φ920 | Φ980 | 10—Φ18 | Φ600 | 20—Φ25 | 450×280 | 4—Φ18 | 37KW | 18t/h |
鄭州鼎力新能源技術有限公司 豫ICP備14018430號-9